|
 |
| 大野公司生产的新型波纹型石油储罐阻火器(防爆阻火器)是完全引用日本同类产品的先进技术,并且按照中国国内实际情况而设计生产的更新换代产品,是石油储罐必备的安全设备。 |
|
1、结构合理、用材考究,重量轻、易检修、安全方便。
2、阻火层采用不锈钢材料,耐腐蚀性强。 |
|
1、阻爆性能合格,连续几十次实验,每次都能阻火。
2、耐烧性能合格,耐烧一小时无回火。
3、水压实验合格,承受0.6MPa水压无泄露。 |
|
1、新型石油储罐阻火器适用于储存闪点低于28°C的甲类油品和闪点低于60°C的乙类油品,如汽油、苯、甲苯、煤油、轻柴油、原油等油品的储罐。新型石油储罐阻火器可与呼吸阀配套使用,也可单独使用。
2、内浮顶油罐的通气管口上。
3、加油站的地下油罐的通气管口上。 |
|
|
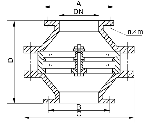
规 格 |
A |
B |
C |
D |
|
DN 50 |
Φ140 |
Φ110 |
Φ220 |
236 |
|
DN 80 |
Φ190 |
Φ150 |
Φ280 |
270 |
|
DN 100 |
Φ210 |
Φ170 |
Φ325 |
274 |
|
DN 150 |
Φ265 |
Φ225 |
Φ427 |
288 |
|
DN 200 |
Φ320 |
Φ280 |
Φ496 |
306 |
|
DN 250 |
Φ375 |
Φ335 |
Φ593 |
320 |
|
|
|
|
|
|
为了确保石油储罐阻火器的阻火性能达到安全使用的目的,应对阻火器进行定期检查。
1、阻火器每半年至少检查一次,检查阻火层是否堵塞、变形、腐蚀等。
2、被堵塞的阻火层应清洗干净,保证阻火层上的每个孔眼畅通。对于变形或腐蚀的阻火层应立即更换。
3、重新安装阻火层时,应保证结合面严密,不的漏气。
4、检查阻火层时不需要拆卸呼吸阀,如图所示,即可取出阻火层检查。 |
| |